Programming Circuit
When you're trying to fix software in a project it can get frustrating if you have to keep pulling out your microcontroller and reprogramming it on a different device. This is why programming circuitry is a must for any large scale projects. It saves a large amount of time and keeps your stress levels low.
Using the ICD2 Tiny programmer makes life extraordinarily easy when we want reprogram the PIC or Debug it. Only 5 pins are necessary.
Here is an example of what the circuit seen above would look like:
One important note I'd like to add before looking at the entire schematic is that this circuit will not work in its current form. We need to combine the power circuit & the programming circuit before we'll be able to program the PIC.
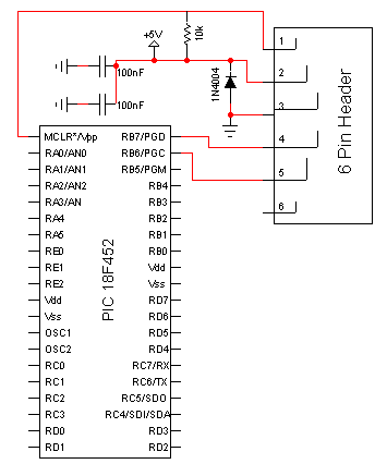
When you're trying to fix software in a project it can get frustrating if you have to keep pulling out your microcontroller and reprogramming it on a different device. This is why programming circuitry is a must for any large scale projects. It saves a large amount of time and keeps your stress levels low.
Using the ICD2 Tiny programmer makes life extraordinarily easy when we want reprogram the PIC or Debug it. Only 5 pins are necessary.

Here is an example of what the circuit seen above would look like:
One important note I'd like to add before looking at the entire schematic is that this circuit will not work in its current form. We need to combine the power circuit & the programming circuit before we'll be able to program the PIC.