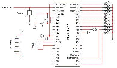
Schematic Overview
The music equalizer display schematic is not a very difficult one to build. I managed to fit it all on a nice little breadboard. You will need all the parts listed out on the previous page to put it together. It is quite wire-intensive so make sure you have plenty of extra wire handy.

View Full Schematic
Schematic Specifics
Audio Input
The audio signal that the laptop generates will be input into RA0/AN0. In order to be able to hear the sound as well as to see the signal on the led's we'll stick a speaker in parallel with the input to the PIC. This will decrease the true voltage of the audio signal that the PIC sees however we'll deal with this issue in the PICs software.
Voltage Divider Into RA3 For A/D
The 2 1kΩ resistors are used to create a voltage divider for the analog to digital converter's reference voltage. This means we use these two resistors to have the audio signal compared to 2.5v instead of 5v. The reason we do this is because the audio signal that is input is low voltage and if our reference is closer to it the output to the leds will be far more accurate & entertaining to watch.
PORTB/C/D Output To The LED Bar
After all the analog to digital conversions are complete these three ports will be used to output the result. It is updated once every 0.2 mS which is right on the border of too fast. An update rate of 1mS might be better. The reason for the update delay is so that there is enough time for the leds to light up.
20 MHz Clock And Power Circuitry
The power circuit design for this circuit is simply hooking the battery up to the PIC. This is a bad design as 5v batteries are not common, however the circuit is simple enough where 4.8-5.5v input is also acceptable. The 20 MHz clock rate was chosen at random (spare clock/crystal I found laying around). Again the clock input is of a bad design because there aren't any caps off of each side of the crystal but since the circuit is so simple these advanced design techniques are not crucial.
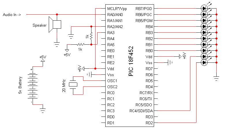
The music equalizer display schematic is not a very difficult one to build. I managed to fit it all on a nice little breadboard. You will need all the parts listed out on the previous page to put it together. It is quite wire-intensive so make sure you have plenty of extra wire handy.

View Full Schematic
Schematic Specifics
Audio Input
The audio signal that the laptop generates will be input into RA0/AN0. In order to be able to hear the sound as well as to see the signal on the led's we'll stick a speaker in parallel with the input to the PIC. This will decrease the true voltage of the audio signal that the PIC sees however we'll deal with this issue in the PICs software.
Voltage Divider Into RA3 For A/D
The 2 1kΩ resistors are used to create a voltage divider for the analog to digital converter's reference voltage. This means we use these two resistors to have the audio signal compared to 2.5v instead of 5v. The reason we do this is because the audio signal that is input is low voltage and if our reference is closer to it the output to the leds will be far more accurate & entertaining to watch.
PORTB/C/D Output To The LED Bar
After all the analog to digital conversions are complete these three ports will be used to output the result. It is updated once every 0.2 mS which is right on the border of too fast. An update rate of 1mS might be better. The reason for the update delay is so that there is enough time for the leds to light up.
20 MHz Clock And Power Circuitry
The power circuit design for this circuit is simply hooking the battery up to the PIC. This is a bad design as 5v batteries are not common, however the circuit is simple enough where 4.8-5.5v input is also acceptable. The 20 MHz clock rate was chosen at random (spare clock/crystal I found laying around). Again the clock input is of a bad design because there aren't any caps off of each side of the crystal but since the circuit is so simple these advanced design techniques are not crucial.